相关内容
-
粉末冶金知识——粉末锻造技术
粉末冶金技术以金属粉末为原料,经压制成型、烧结固化及后续精整等工序,可直接制备出复杂形状的机械零件。其中,传统“压制-烧结”(PM)工艺凭借近净成形、能耗低、成本可控及适配规模化生产等显著优势,在机械制造领域应用广泛。
-
一文了解热等静压技术
热等静压技术作为粉末冶金成形的重要工艺之一,由于其可以制备结构复杂的高性能产品,近年来在航空航天领域得到广泛应用。该工艺技术可用于粉末冶金成型或对成型后的铸件(钛合金、高温合金、铝合金等疏松缩孔铸件)。
-
MIM金属注射成型工艺介绍
金属注射成型,简称MIM,是一种将金属粉末与粘结剂混合进行注射成型的方法。它先将固体粉末与粘结剂混合成为均匀的喂料,然后在加热状态下用注射成型机将其注入模腔内固化成型,再通过化学或热分解的方法去除粘结剂,最后经烧结使产品达到高密度。
-
粉末冶金基础制备工艺
提到“冶金”,很多人会想到高温熔炉里翻滚的钢水,或是锻造车间里铿锵的打铁声。但有一种冶金技术,却能像“捏橡皮泥”一样,将金属粉变成汽车发动机里的齿轮、手机摄像头的支架,甚至是人造骨骼——它就是粉末冶金。
高频疲劳测试,不是所有的金属材料都适合,为什么?
金属疲劳是指金属材料在循环应力或循环应变作用下,经过一定次数的应力循环后,在一处或几处逐渐产生局部永久性累积损伤,最终导致裂纹产生或突然发生完全断裂的现象。这种破坏通常在没有显著塑性变形的情况下发生,因此具有突发性和危险性。
金属材料疲劳试验是指在一定条件下,对金属材料施加交变载荷或者循环载荷,以评价其在循环应力下的耐久性和抗疲劳性能。主要有应力疲劳和应变疲劳,应力疲劳通常对应高周疲劳,而应应变疲劳通常对应低周疲劳。低周疲劳通常指10的四次方以下的疲劳,高周疲劳通常指10的四次方以上的疲劳,关于低周疲劳和高周疲劳的界限不是物理上的,是领域内的习惯性或经验性定义。金属材料的疲劳试验的主要目的是确定材料的疲劳极限、疲劳寿命以及疲劳裂纹扩展速率,从而帮助预测材料在长期使用中的寿命和安全性。

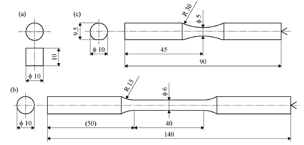
常用疲劳试样几何尺寸
金属材料的疲劳试验如何设计取决于其实际服役工况需求。大多数金属材料均要求服役时间较长,具有较长的疲劳寿命,因而以应力疲劳测试为主,在不同的应力幅下测试金属材料的疲劳寿命,,通过测试获得S-N曲线或疲劳极限。在高周疲劳范围内有限疲劳寿命的情况下,以S-N曲线来评价金属材料的疲劳寿命,测试主要采用成组法,即在每个应力幅测试一组(多个,通常为3支)样品,而测试金属材料的疲劳极限则主要采用升降法。

不同状态Ti–6Al–4V样品的S-N曲线
(Tatsuro Morita, 2020)
金属材料的疲劳测试参数主要是根据材料的实际服役工况设计材料的疲劳样品形状和测试参数。不同的工况采用的应力加载的波形不同,如常用的正弦波或方波。加载的频率是一个非常重要的参数。根据加载频率不同,常用的有工频、高频和超声。工频在50HZ以下,高频为50-300HZ,超声疲劳通常为20kHZ。
如何选用测试频率应从两个方面来看:一方面,应根据实际服役工况要求,越贴近实际服役工况,越能准确反应材料在实际服役工况下的疲劳行为;另一方面,对于大多数科学研究所使用的金属材料,因为它未确定具体服役工况,仅是反应材料的物理特性,这种情况下可以选用加速实验,因为疲劳测试频率较低时,测试时间特别长,成本特别高。
本期内容主要介绍一下高频疲劳试验。高频疲劳通常指的是在高频(一般大于50Hz)载荷作用下的疲劳行为。它主要关注材料或构件在高频振动或交变载荷下的疲劳性能。
高频疲劳试验机是进行高频疲劳试验的主要设备。据小编了解,目前高频疲劳试验机国内三个品牌,均在长春,它们是中机、仟邦和浩园,它的生产的设备各有各的特点和优势。

高频疲劳试验机能够模拟高频载荷环境,对材料或构件进行快速、高效的疲劳测试,因此能够显著节约疲劳测试的成本。由于试验频率高,可以在短时间内完成大量的疲劳试验次数,提高试验效率,特别是超高周疲劳测试,金属材料的寿命在10七次方甚至至10的九次方的测试任务。这类试验机能够模拟高频载荷环境,对材料或构件进行疲劳测试。测试频率对体心立方金属和密排六方金属疲劳寿命影响如下图所示。


试验频率对BCC和HCP金属疲劳寿命的影响
(a)c.p. Nb ann.; (b)c.p. Nb cw; (c)c.p. Ta ann.; (d)c.p. Ta cw; (e)c.p. Ti ann. ; (f) Ti–6Al–7Nb alloy
(M. Papakyriacou,2001)
Guennec等人研究了JIS S15C低碳钢在0.2 Hz至20 kHz的常规负载频率和超声波负载频率下的疲劳行为。低碳钢对加载频率具有特别敏感的疲劳性能。加载频率的增加会导致疲劳寿命的延长。下图给出了JIS S15C低碳钢在f=0.2 Hz和f=140 Hz的常规加载频率以及20 kHz的超声加载频率下疲劳至疲劳寿命25%的试样上发现的位错结构。发现,将加载频率从0.2 Hz改变到140 Hz对S15C钢的位错结构没有明显影响,这说明在该频率范围内,材料的疲劳累积损伤的机制未发生明显变化。在20 kHz的超声高频下,发现与在较低加载频率下观察到的结果存在显著差异,说明低碳钢的超声疲劳与高频疲劳相比,累积损伤的机制是有变化的,这一点值得引起注意。

JIS S15C低碳钢在不同加载频率下的位错组态
(a)0.2 Hz位错胞结构;(b)0.2 Hz梯形结构;(c)140 Hz位错胞结构;(d)140 Hz梯形结构;(e)20 kHz位错胞结构;(f)20kHz的梯形结构。(Kamin Tahmasbi, 2023)
疲劳试验的目的通常是为了评估材料在特定载荷和环境条件下的疲劳寿命和性能。然而,并非所有材料都需要在高频载荷下进行测试。例如,一些工程结构或设备可能主要承受低频或静态载荷,因此使用低频疲劳试验机或静态试验机更为合适。
一些材料在高频振动下可能会产生严重的噪声、振动或发热问题,这些问题可能干扰测试结果的准确性或使测试无法进行。一些强度较高塑性略低的材料比较适合采用高频疲劳试验,如钛合金、高强铝合金,高强度钢等。
主要原因是,塑性较好的材料在高频加载过程中,内耗严重,试验加载过程中样品发热,热量无法及时散掉会影响测试结果。这些材料在高频载荷作用下,能够展现出其独特的疲劳性能,通过高频疲劳测试可以评估其疲劳寿命和疲劳极限,为工程应用提供可靠的数据支持。
此外,采用激光喷丸、机械喷丸等表面强化技术处理的金属材料旨在开展表面强化提升疲劳性能研究的情况下,较适合采用高频疲劳测试,因为它能极大的节约测试成本和研发周期。
高频疲劳试验广泛应用于航空、航天、汽车、轨道交通等领域,这些领域的材料和构件经常需要承受高频振动或交变载荷。高频疲劳试验能够评估材料和构件在高频载荷作用下的疲劳性能,确保其在复杂工况下的安全性和可靠性。
声 明:文章内容来源于金属材料科学与技术。






沪公网安备31011802004991